Junghans Astro-Chron

JUNGHANS electronic ASTRO-CHRON
- Modell 38/0001, laufende Nummer 000871(Abb.) und 000771 [1]
- Tischuhr mit Quarzwerk Junghans Kaliber Werk 610 [2]
- Rhodium beschichtetes Metallgehäuse, 205 x 115 x 60 mm³
- versilbertes Zifferblatt, schwarze Zeiger mit Mittelsekunde
- Geliefert in mit Kunstleder bezogenem Holzetui (fehlt bei Nr. 000871)
[1] andere Varianten: Modell 38/0003 und 38/0004 in quadratischem Gehäuse 17cm x 17cm
[2] 1963 führte Junghans eine neue Systematik bei den Kalibernummern ein: 6xx = Kleinuhren, 7xx = Großuhren. Danach handelt es sich bei dieser Uhr und dem Etui Wecker Ato-Vox (Werk 611) um "Armbanduhren". Tatsache ist, dass das Schwingsystem dieser beiden Uhren mit seinem zweipoligen Magnetsystem stark dem der zeitgleich vorgestellten Ato-Chron Armbanduhr (Werk 600) ähnelt und von dem der älteren Ato-Mat Werke mit einpoligem Magnesystem abweicht.
Geschichte
Bei einer Pressekonferenz der Firma Junghans am 15. März 1967 wurde eine Tischuhr entsiegelt und ihr Stand mit einem Radiozeitzeichen verglichen. Die Gangabweichung dieser am 1. Januar unter notarieller Aufsicht versiegelten Uhr betrug nur etwas mehr als 3 Sekunden, die mittlere Gangabweichung in diesen 75 Tagen also sensationelle 0,04s/d (Sekunden pro Tag).[1] Bei dieser Uhr handelte es sich um das Serienmodell eine Quarzuhr, der Junghans "ASTRO-CHRON". Die Uhr wurde seinerzeit zum Preise von 785,- DM zum Verkauf angeboten wurde, was wahrscheinlich "deutlich mehr war, als...ein beamteter Lehrer damals im Monat verdiente"[2]. Trotz dieses Preises war es die erste deutsche Quarzuhr für den Privatgebrauch[3] und sie läutete bei Junghans das Quarzzeitalter ein, wenn auch zunächst sehr vorsichtig.
Begonnen hatte die Entwicklung einer Gebrauchsquarzuhr bereits 1958/59 unter der Federführung von Dr. Günter Glaser und ein erster Prototyp war um 1960 fertig gestellt.[4] Dieser verwendete aber einen Synchronmotor als Antrieb und der Stromverbrauch ließ nur Netzbetrieb zu. Verwendet wurde ein 12,8kHz Quarz, dessen Frequenz 7-mal um den Faktor 2 geteilt wurde und mit den resultierenden 50Hz dann einen Synchronmotor antrieb. Daneben wurde auch noch eine andere Konstruktion getestet, bei der die Frequenz eines 8,192kHz Quarz auf 2Hz binär geteilt wurde und ein modifiziertes ATO-Mat Werk W794 synchronisierte.[5,6] Nach Übernahme des Entwicklungslabors durch Friedrich Aßmus 1964 wurde die Entwicklung maßgeblich durch den Leiter der der Großuhrentwicklung Hans Flaig weitergeführt. Dieser entwickelte noch zwei weitere Prototypen: 1964 mit einem 51,2kHz Quarz und 50Hz Synchronmotor und 1966 dann die später (ab 1967) für die Serienproduktion verwendete Konfiguration mit einem 12.8kHz Quarz und dem auf 12.5Hz umgebauten synchronisierten ATO-Mat Werk als Zeigerantrieb.[7]

In einer 4-seitigen Anzeigenserie in der Fachpresse bewarb Junghans seine Entwicklungen des Jahres 1967 (die Quarzuhr Astro-Chron, die elektronische Armbanduhr Ato-Chron und den Wecker Ato-Phon) als "Abweichler! Umstürzler! Rrrevoluzzer!"[8] und benutzte damit das seinerzeit positiv besetzte Jargon der aufkeimenden Studentenbewegung. Die Radikalisierung dieser Bewegung durch den Tod von Benno Ohnesorg stand ja noch bevor.
Auch wenn diese Uhr für den privaten Gebrauch konzipiert war, so sollte sie doch als genaueste Uhr das "Flaggschiff" der Tischuhrenkollektion von Junghans sein. Daher musste sie auch preislich am oberen Ende angesiedelt werden. Obwohl billiger herstellbar, wurde sie z.B. durch eine Beschichtung des aufwendigen Gehäuses mit Palladium, einem Edelmetall der Platingruppe, künstlich verteuert. Ein kommerzieller Erfolg wurde ihr damit verwehrt.[9] (Nach anderen Angaben war das Gehäuse mit Rhodium beschichtet.[8,10]) Die Produktionsrate war mit ca. 5 Uhren pro Tag auch relativ gering. Insgesamt wurden nur ca. 5000 Uhren dieses Typs gefertigt.[7]
Die nächste Quarzuhrgeneration ließ noch Jahre auf sich warten. Erst 1972, ein Jahr nach der Präsentation der Staiger und Kundo Quarzuhren, wurde das Werk 750 (auf Basis des Ato-Mat Werkes 726) eingeführt.
[1] siehe Jens Koch: Die Jagd nach der Genauigkeit, Chronos Spezial: 150 Jahre Junghans
[2] siehe Johannes Graf: Die Quarzrevolution, Seite 63
[3] Als weltweit erste Quarzuhr für den Hausgebrauch gilt der 1964 vorgestellte Seiko Quartz Chronometer QC-951. Im gleichen Jahr stellte auch LIP beim CIC in Lausanne eine Quarz-Tischuhr vor (siehe auch DGC Jahrbuch 1965).
[4] Diese Tatsache wird von Aßmus in seinem Beitrag in "Johannes Graf: Die Quarzrevolution" nicht erwähnt.
[5] siehe Gernot Stähle, Siegfried Wahr: Die elektrischen Uhren im Stadtmuseum Schramberg
[6] vgl. Trueb u.a., Die Elektrifizierung der Armbanduhr
Die Detailangaben für die beiden Konstruktionen stammen aus dieser Quelle. Leider werden für die "Synchronuhr" inkonsistente Werte angegeben: 16,8kHz geteilt durch 1024 ergibt nicht 50Hz.
Die oben gemachten Angaben sind daher nur eine plausible Vermutung.
[7] siehe David J. Boullin: The Role of Electrical Horology in the Development of the Quartz Clock
Abbildung des "Erlkönigs" von 1966 in: Gisela Lixfeld (Hrsg.): Die elektrischen Uhren im Stadtmuseum Schramberg
[8] Neue Uhrmacher Zeitung (NUZ) 1967, Heft 7
[9] siehe Johannes Graf: Von Hundert auf Null in 40 Jahren, DGC Jahresschrift 2011
[10] Stadtmuseum Schramberg: Exponat des Monats Mai 2009
Beschreibung

Entwicklungsziel war eine möglichst einfach aufgebaute und damit preiswerte Quarzuhr, die mit Batteriestrom eine Laufzeit von mindestens einem Jahr erreicht.
Folgende Vorgaben wurden daher festgelegt[1]:
- Ganggenauigkeit besser als 0,1 s/d
- Batteriebetrieb mit herkömmlicher Monozelle, Laufzeit min. 1 Jahr
- Große Unabhängigkeit des Ganges von der Batteriespannung
- Weiter Betriebstemperaturbereich
- Geringe Lautheit
- Kleine Abmessungen
- Funktionssicherheit
- Niedriger Preis (Vorgabe war unter 1000,- DM)
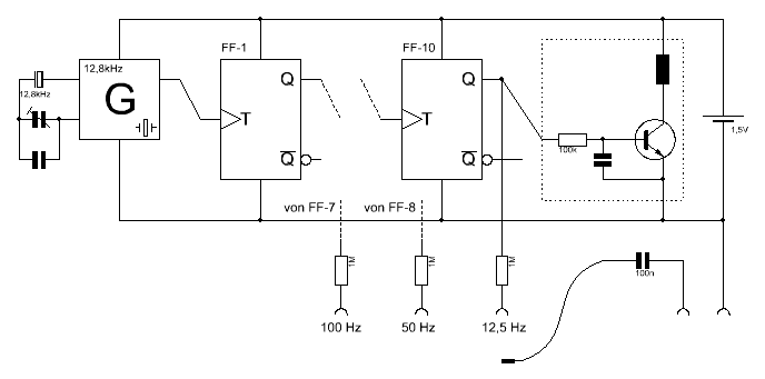
Wie fast jede analoge Quarzuhr besteht auch diese Uhr aus einem quarzstabilisierten Oszillator, einem elektronischen Frequenzteiler und einem elektromechanischen Wandler mit Anzeige.

Als elektromechanischer Wandler mit hohem Wirkungsgrad wurde ein Unruhschwinger gewählt, der über die Ausgangsimpulse des Frequenzteilers zwangserregt wird.[2] Dieser Unruhschwinger ähnelt stark dem Typ, der auch im 1966 vorgestellten Etuiwecker Ato-Vox (Kaliber 611) verwendet und auch als Impulsgeber Z1 mit Frequenzen bis 10Hz produziert wurde.[3] Alle diese Schwinger tragen ein zweipoliges Magnetsystem im Gegensatz zu den einpoligen Systemen, die in den bis dahin bekannten Ato-Mat Werken W794 und W707 verwendet wurden. Auch das im gleichen Jahr vorgestellte elektromechanische Armbanduhrwerk Kaliber W600 (Ato-Chron) verwendet ein zweipoliges Magnetsystem. Angetrieben bzw. synchronisiert werden diese Unruhschwinger durch feststehende Spulen.
Als Frequenz für den Unruhschwinger der Astro-Chron wurde verhältnismäßig hoch die 12,5 Hz gewählt, wahrscheinlich um Teilerstufen und damit Strom zu sparen. Als elektronische Frequenzteiler werden "bistabile Multivibratoren" verwendet (heute würde man Flip-Flops, genauer gesagt flankengesteuerte T-Flip-Flops sagen), die die Frequenz nur um den Faktor zwei teilen aber im Gegensatz zu sonst üblichen synchronisierten astabilen Multivibratoren (mit Teilerverhältnissen von typisch 5:1) eine deutlich höhere Betriebssicherheit aufweisen. Mit 10 Teilerstufen, also einem Teilerverhältnis von 1024:1, ergibt sich dann die Quarzfrequenz von 12,8 kHz.
Aufgebaut ist die gesamte Uhr auf einer gedruckten Schaltung, die neben dem Schwingquarz mit den Trimmer zum Frequenzabgleich auch die Batteriehalterung und den in einer eigenen Gehäusekapsel befindlichen elektromechanischen Wandler trägt. Die Baugruppen für den Quarzoszillator (ohne Quarz) und die 10 Frequenzteiler sind auf einzelnen Leiterplatten (ca: 3,4 x 3,4 cm) untergebracht, die auf die Grundplatine aufgesteckt werden. Es werden ausschließlich Silizium-Transistoren und -Dioden verwendet.
Der gesamte Stromverbrauch der Uhr beträgt weniger als 600µA bei 1,5V. Dies entspricht einem Jahresverbrauch von ca. 6 Ah, welcher eine normale Monozelle bequem liefern kann.
[1] nach Hans Flaig im DGC Jahrbuch 1967
[2] siehe auch die deutsche Offenlegungsschrift Nr. 1.523.940 vom 31.1.1967
[3] siehe z.B. Die elektrischen Uhren im Stadtmuseum Schramberg, Seite 83
Schaltung

Die Gesamtschaltung wirkt in der Darstellung mit den einzelnen Baugruppen recht übersichtlich. Tatsächlich sind auf der Grundplatine auch nur die gezeigten Bauteile aufgelötet:
- Schwingquarz im röhrenähnlichen Glasgehäuse ohne Fassung (im Bild mit Schaumstoff ummantelt),
- Trimmer zum Abgleich der Quarzfrequenz mit einem weiteren parallel liegenden Kondensator,
- Batteriehalterung für eine Monozelle,
- drei Widerstände, die mit den 100Hz, 50Hz und 12,5Hz Ausgängen des Frequenzteilers verbunden sind,
- ein Auskoppelkondensator, über den eine dieser Frequenzen (gewählt über Steckkontakte links neben dem Wandlergeäuse) über die Steckkontakte unterhalb des Batteriehalters abgenommen werden können.

Der größte Teil der elektronischen Bauteile ist auf den Steckplatinen für Quarzoszillator (links) und Frequenzteiler (rechts) enthalten.
Oszillator
Bei dem Quarz handelt es sich um einen stabförmigen Biegeschwinger im XY-Schnitt (X+5°). Die Resonanzfrequenz bei diesen Typen ist quadratisch von der Temperatur abhängig und entspricht einer nach unten geöffneten Parabel. Der Scheitelpunkt dieser Parabel kann dabei in den Bereich der Raumtemperatur gelegt werden und beträgt in diesem Fall 21°C ±4K mit einem Temperaturkoeffizient von <0,04*10-6/K2.[1] Schwankungen der Raumtemperatur von ±5K um den Scheitelpunkt erzeugen also einen Fehler von weniger als 1/10 Sekunde pro Tag. Der Quarzstab befindet sich in einem Glasgehäuse einer Elektronenröhre mit Noval-Fassung. Dieser Gehäusetyp war früher für Schwingquarze genormt (DIN 45115:1963, zurückgezogen), aber bereits in der letzten, inzwischen zurückgezogenen DIN Norm 45110:1981 wurde dieser Gehäusetyp nicht mehr erwähnt. Ein Novalsockel wurde nicht verwendet; stattdessen ist der Quarz fest eingelötet.
In Reihe mit dem Quarz ist ein Trimmkondensator als so genannte Ziehkapazität angebracht, die einen genauen Abgleich der Oszillatorfrequenz erlaubt im Bereich von ±10*10-6 erlaubt. In der Patentanmeldung, in der dieser Quarzoszillator beschrieben ist[2], wird die Möglichkeit erwähnt, die parallel zum Trimmkondensator liegende Festkapazität temperaturabhängig auszuführen, um den Temperaturgang des Quarzes dadurch zu kompensieren. In der vorliegenden Uhr wurde davon aber kein Gebrauch gemacht.

Schaltung der Quarzoszillator-Baugruppe. Die Reihenfolge der Anschlüsse im Schaltplan entspricht den Steckkontakten auf der Leiterplatte (von der Bestückungsseite aus gesehen)
Bei der Oszillatorschaltung handelt es sich um einen Pierce-Oszillator mit anschließendem invertierendem Verstärker. Vorteil dieser Schaltung ist der geringe Bauteilaufwand (der invertierende Verstärker ist einstufig auszuführen) und die relativ hohe Ausgangsamplitude (wichtig bei Batteriebetrieb). Nachteil ist, dass ein Abgleichkondensator in Serie zum Quarz liegt und daher nicht geerdet werden kann. Die integrierten Oszillatoren in den späteren CMOS-ICs sind i.d.R. ebenfalls Pierce-Oszillatoren, da sich integrierte Inverter leicht als invertierende Verstärker einsetzen lassen. Teilweise werden dabei die beiden Kondensatoren auch noch integriert.

Der erste invertierte Verstärker, der den Quarz-Oszillator bildet, besteht aus nur einem Transistor in Emitterschaltung. Arbeitswiderstand dieser Stufe ist eine für Wechselspannung hochohmige Eisendrossel. Diesem Oszillator ist ein weiterer invertierender Verstärker nachgeschaltet, der für eine rückwirkungsfreie und relativ niederohmige Auskopplung des Oszillatorsignals sorgt und damit gleichzeitig auch die Flankensteilheit der Rechtecksignale erhöht. Dies sorgt für eine sichere Ansteuerung des nachfolgenden Frequenzteilers.
Der Stromverbrauch der Oszillatorschaltung und der Ausgangsstufe beträgt <50µA bei 1,5V.
[1] vgl. DGC Jahrbuch 1967
[2] Deutsche Offenlegungsschrift 1.591.218 vom 14.09.1967 (Anmeldedatum)
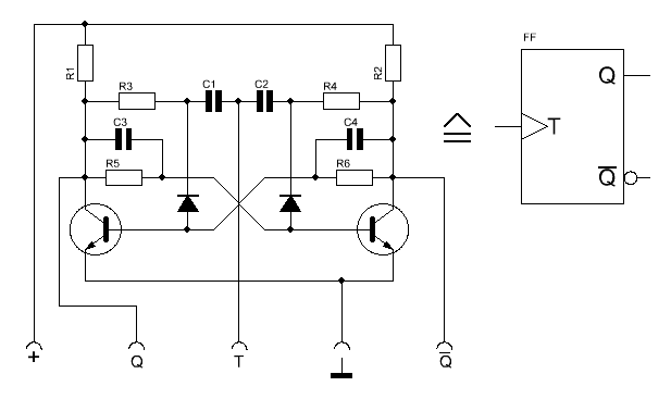
Teilerstufen

Schaltung einer der 10 Teiler-Baugruppen. Die Reihenfolge der Anschlüsse im Schaltplan entspricht wieder den Steckkontakten auf der Leiterplatte (Bestückungsseite). Die höherfrequenten ersten beiden Teilerstufen sind niederohmiger ausgelegt, als die restlichen 8 Stufen. Außerdem liegen bei den ersten drei Teilern Kondensatoren parallel zu den Basiswiderständen, was den Umschaltvorgang beschleunigen soll.
| Stufe | R1/R2 | R3/R4 | R5/R6 | C1/C2 | C3/C4 |
|---|---|---|---|---|---|
| FF 1+2 | 27k | 100k | 100k | 330p | 220p |
| FF 3 | 68k | 1M | 180k | 330p | 220p? |
| FF 4-10 | 68k | 1M | 180k | 330p | - |
Der Stromverbrauch aller 10 Teilerstufen beträgt weniger als 300µA bei 1,5V
Es folgt eine vereinfachte Beschreibung dieses diskret aufgebauten T-Flip-Flops
(nach Glaser: Quarzuhrentechnik)

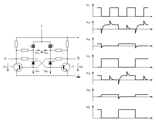
Zu Beginn sei angenommen, dass T1 leitet, T2 gesperrt ist und eine positive Spannung am Takteingang T anliegt. Der Kondensator C1 ist daher aufgeladen (UD1=0V, UB1=UBE(sat)=Basis-Emitter-Sättigungsspannung), C2 aber fast entladen (UD2=UB, UB2=0V). An D1 liegt daher ca. 0V an, an D2 aber UB in Sperrrichtung.
Mit der negativen Flanke des Taktimpulses (Spannung am Takteingang T geht auf 0V), wird der Kondensator C1 umgeladen und UD1 kurzfristig negativ. Dieser Vorgang wird über die Diode D1 an die Basis des Transistors übertragen, welche daraufhin auf ein Potential unter 0V gezogen wird, was den Transistor dann sperrt. Der Kippvorgang ist damit eingeleitet. Der Kondensator C2 überträgt zwar auch diese Flanke, was aber wg. der negativ vorgespannten Diode D2 keine Auswirkung auf die Basis des Transistors T2 hat. Dieser wird daher durch das jetzt positive Potential an Ausgang Q leitend.
Die folgende positive Flanke des Taktsignals wird wieder von beiden Kondensatoren übertragen, hat aber wegen der beiden Dioden D1 und D2 keine Auswirkungen auf die Spannungen an der Basis der beiden Transistoren. Allerdings wird jetzt der Kondensator C1 entladen und der C2 aufgeladen und es ist wieder der Ausgangszustand erreicht, allerdings mit den vertauschen Indizes der Bauteile. Die nächste negative Flanke des Taktsignals würde also den Transistor T2 sperren und T1 leitend machen. Wie man an den Diagrammen sieht, wird bei jedem Taktsignal der Transistor T1 und damit der Ausgang Q umgeschaltet, die Frequenz des Taktes an diesem Ausgang also halbiert.
Antriebsschaltung
Der Zeigerantrieb erfolgt durch einen Unruhschwinger, dessen Schwingbewegung durch eine übliche Klinkenfortschaltvorrichtung in eine Drehbewegung umgewandelt wird. Der Unruhschwinger hat keinen eigenen Antrieb durch Selbststeuerung, wie die bekannten ATO-Mat Werke, sondern wird durch die Ausgangsfrequenz des Frequenzteilers zu einer erzwungenen Schwingung veranlasst. Dazu muss die Eigenfrequenz des Schwingers bestmöglich mit der durch den Frequenzteiler reduzierten Quarzfrequenz von 12,5 Hz übereinstimmen. Der Antrieb erfolgt permanentmagnetisch mit einem zweipoligen Magnetsystem auf der Unruh und einer feststehenden Antriebsspule. Durch das zweipolige Magnetsystem wird in der Antriebsspule eine Spannung induziert, deren Polarität von der Bewegungsrichtung der Magneten relativ zur Spule abhängt. Ein wirksamer Antriebsimpuls kann also nur zu jeder Vollschwingung der Unruh erfolgen, so dass ihre Eigenfrequenz auch 12,5 Hz betragen muss(vgl. [1]).
Eine gewisse Dämpfung der Unruhschwingung und damit eine breitere Resonanzkurve ist in diesem Falle förderlich, weil bei Verstimmung zwischen Erregungs- und Eigenfrequenz die Blindleistung des Antriebs erhöht wird und die Wirkleistung und damit der Wirkungsgrad des Antriebs abnimmt. Auch ist eine größere möglich Einwirkzeit des Antriebsimpuls auf das Schwingsystem, d.h. eine relativ große Spule bzw. eine relativ kleine Amplitude des Schwingers für die Synchronisation hilfreich. Eine Verstimmung der beiden Frequenzen äußert sich in einer periodischen Änderung der Unruhamplitude. Solange diese nicht unter einem gewissen Mindestwert sinkt, ist die Funktionssicherheit des Antriebs gewährleistet.
Die Ausgangsimpulse des Frequenzteilers haben ein Tastverhältnis von 1:1. Dies würde auch einen Strom durch die Antriebsspule verursachen, wenn sich das Magnetsystem außerhalb des Wirkungsbereichs der Spule befindet. Zur Verkürzung des Antriebsimpulses ist das RC-Glied vor den Transistor geschaltet, wie in der zugehörigen Patentschrift [2] beschrieben. Dort werden auch Schaltungen beschrieben, die einen selbststerregten Unruhschwinger synchronisieren sollen. Dieses Verfahren wurde aber hier nicht angewendet.

Mit der gewählten Schaltung und Geometrie der Schwingeranordung, ist ein absoluter Selbstanlauf des Schwingers aus dem Stillstand möglich. Zum sekundengenauen Stellen der Uhr befindet sich eine mechanische Stoppvorrichtung direkt an der Unruh. Die Unruh befindet sich zusammen mit den beiden stoßgesicherten Lagern in einem vernieteten Käfig, der in einem älteren Gebrauchsmuster beschrieben ist [3] und in ähnlicher Form auch in den ATO-Vox Weckern (Kal. 611) verwendet wurde. Die gesamte mechanische Baugruppe, also Unruh mit elektrischem Antrieb und Räderwerk, ist in der Werkkapsel elastisch gelagert. Dies soll vor allem der Geräuschdämpfung dienen (siehe [4]). Der gesamte Antreib ist sehr hochwertig aufgebaut und besitzt insgesamt 15 Lagersteine. Diese schützen nicht nur die Lager der schnelllaufenden Räder, auch die Spitzen der Schalt- und Rastfeder sind mit Rubinen bestückt.
Der Stromverbrauch der Antriebsstufe beträgt weniger als 250µA bei 1,5V
[1] Deutsche Offenlegungsschrift Nr. 1.523.940 vom 31.1.1967
[2] Deutsche Patentschrift 1.523.942 vom 09.03.1967 (Anmeldedatum)
[3] Deutsches Gebrauchsmuster 1.896.482 vom 29.11.1963 (Anmeldedatum)
[4] Deutsches Gebrauchsmuster 1.971.489 vom 15.03.1967 (Anmeldedatum)
Patente
Liste der deutschen Patente und Gebrauchsmuster (sortiert nach Anmeldedatum)
| Veröffentlichungsnr. | Anmeldedatum | Erfinder | Anmelder/Inhaber | Titel |
|---|---|---|---|---|
| DE 1.896.482U | 29.11.1963 | JUNGHANS GMBH GEB | Gangregler-Anordnung für eine Uhr | |
| DE 1.523.940A | 31.01.1967 | FLAIG HANS FRIEDRICH ASSMUS DR-ING DR | JUNGHANS GMBH GEB | Elektrische Uhr |
| DE 1.523.942C3 | 09.03.1967 | FLAIG, HANS, 7232 SCHRAMBERG | GEBRUEDER JUNGHANS GMBH, 7230 SCHRAMBERG | Schaltungsanordnung zur Speisung eines Antriebssystems fuer ein zeithaltendes Geraet |
| DE 1.971.489U | 15.03.1967 | JUNGHANS GMBH GEB | Uhrwerkbefestigung | |
| DE 1.591.218A | 14.09.1967 | FLAIG HANS | JUNGHANS GMBH GEB | Quarzgesteuerter Transistor-Oszillator |
Ausländische Patente (soweit recherchiert)
| Veröffentlichungsnr. | Anmeldedatum | Erfinder | Anmelder/Inhaber | Titel |
|---|---|---|---|---|
| CH 522.913A | 03.01.1968 | HANS FLAIG, DE FRIEDRICH ASSMUS, DE | JUNGHANS GMBH GEB, DE | Elektrische Uhr |
| FR 1.551.483A | 15.01.1968 | GEBRÜDER JUNGHANS GMBH | Horloge électrique ou indicateur horaire simiaire | |
| US 3.597.634A | 07.03.1968 | FLAIG HANS | JUNGHANS GMBH GEB | TWO OR MORE TRANSISTOR DEVICE TO ENERGIZE A DRIVING COIL |
| FR 1.559.282A | 08.03.1968 | GEBRÜDER JUNGHANS G.M.B.H. | Horloge à quartz | |
| US 3.543.186A | 04.09.1968 | FLAIG HANS | JUNGHANS GMBH GEB | FREQUENCY STABILIZED CRYSTAL CONTROLLED TRANSISTOR OSCILLATOR |
Vergleich der deutschen und ausländischen Patente (die deutschen Patente haben jeweils Priorität)
| DE 1.523.940A | FR 1.551.483A | - | CH 522.913A |
| DE 1.523.942C3 | FR 1.559.282A | US 3.597.634A | - |
| DE 1.591.218A | US 3.543.186A | - |
Literatur
- Dr. Friedrich Aßmus: Die quarzgesteuerte elektronische Tischuhr Junghans Astro-Chron
in: NUZ 7/1967 S.65ff - Dr. Friedrich Aßmus: Die quarzgesteuerte elektronische Tischuhr Junghans Astro-Chron
in: Die Uhr 9/1967 S.32ff - Hans Flaig: Die quarzgesteuerte elektronische Tischuhr Junghans Astro-Chron
in: Jahrbuch der Deutschen Gesellschaft für Chronometrie, Band 18, 1967, S.47 - Friedrich Aßmus: Die Entwicklung der Quarzuhren der Firma Junghans GmbH
in: Johannes Graf (Hrsg.): Die Quarzrevolution
Vorträge anlässlich der Tagung im Deutschen Uhrenmuseum Furtwangen am 20. und 21. August 2007
Furtwangen: Deutsches Uhrenmuseum Furtwangen, 2008 - Gernot Stähle, Siegfried Wahr: Die elektrischen Uhren im Stadtmuseum Schramberg, Kap. 6.A. Quarzuhren
in: Gisela Lixfeld (Hrsg.): Die elektrischen Uhren im Stadtmuseum Schramberg
Katalog zur Ausstellung im Stadtmuseum Schramberg, 24. Juni bis 9. September 2007
Schramberg: Eigenverlag, 2007 - Gisela Lixfeld (Hrsg.): Die elektrischen Uhren im Stadtmuseum Schramberg
Katalog zur Ausstellung im Stadtmuseum Schramberg, 13. Juli bis 21. September 2008
Schramberg: Eigenverlag, 2008 - Jens Koch: Die Jagd nach der Genauigkeit
in: Chronos Spezial: 150 Jahre Junghans
Ulm, Ebner Verlag: 2011 - Reparaturanleitung Junghans ASTRO-CHRON Werk 610
in: Junghans Kundendienst-Mappe
Hrsg. Gebr. Junghans GmbH, Schramberg 1965 mit einzelnen Nachträgen bis 1970 - Lucien F. Trueb, Günther Ramm, Peter Wenzig: Die Elektrifizierung der Armbanduhr
Ulm: Ebner Verlag, 2011 - Johannes Graf: Von Hundert auf Null in 40 Jahren
in: Jahresschrift 2011 der Deutschen Gesellschaft für Chronometrie
Nürnberg: Eigenverlag, 2011 - David J. Boullin: The Role of Electrical Horology in the Development of the Quartz Clock
Lecture given to a meeting of the Electrical Horology Group of the AHS on 27th March, 1982
Technical Paper No. 30 of the Electrical Horology Group (EHG) of the Antiquarian Horological Society (AHS)
Links
- Stadtmuseum Schramberg: Exponat des Monats Mai 2009
- Objektbeschreibung des Exponats im Deutschen Uhrenmuseum Furtwangen
- Richard Kunze hat seine Astro-Chron ausführlich beschrieben und die bei ihm notwendige Reparatur der Fortschaltung in detailreichen Bildern dargestellt.
